Читать книгу "Астронавигатор. Введение в специальность"
Автор книги: Игорь Барсуков
Жанр: Научная фантастика, Фантастика
Возрастные ограничения: 12+
сообщить о неприемлемом содержимом
§2.3. Экология и загрязнение планет.
Под экологией в космических перевозках понимается состояние окружающей среды на планетах и планетоидах окружённых атмосферой и гидросферой, вопросы по охране среды от загрязнений и разрушений со стороны судна, экипажа и пассажиров.
Космическое судно представляет собой крупное искусственное сооружение с множеством работающих механизмов, электроники, материалов не встречающихся в подобных концентрациях в природе, а также сверхактивные вещества и материя с интенсивным электромагнитным, радиоактивным излучением или химической активностью. Не на каждой планете, богатой флорой и фауной есть организмы, сравнимые по размерам с судном даже малого класса. В результате, двигающееся в интернуме судно, а также деактивированное дрейфующее или покоящееся на поверхности, оказывает значительное влияние на окружающую среду.
Космические перевозки необходимая ступень развития любых заселённых миров, но космическое сообщение не должно приводить к разрушению среды обитания. Экипажи должны всячески снижать степень влияния судна, груза, механизмов, снаряжения, экипажа и пассажиров на окружающую среду и не допускать непоправимых изменений.
Внимание! Нарушение экологических норм посещаемых планет – одна из наиболее частых причин судебных исков к транспортным компаниям и задержаний экипажей и кораблей, а также преследований по уголовному кодексу.
Виды загрязнений окружающей среды от судоходства: сброс неактивных веществ в геосферу; сброс активных веществ в геосферу; сброс реактивных веществ; сброс продуктов жизнедеятельности; сброс твёрдых отходов; звуковое загрязнение; уничтожение флоры и фауны; электромагнитное загрязнение.
Внимание! Для разных планет существует свой перечень активных и неактивных веществ.
Каждое судно имеет свой экологический класс с перечнем сред, в которых оно может безопасно пребывать с определёнными системами защиты. В основном перевозки происходят между планетами земного типа со сходными средами. Поэтому суда должны быть стабильными, прежде всего в них. Работа судоводителя по обеспечению экологических норм сводится к проверке исправности механизмов и технических средств, и проверке плана полёта с перечнем экологических классов посещаемых планет. В случае ожидаемого посещения планеты с особенными природными условиями следует обеспечить необходимую защиту для судна и окружающей среды. В ином случае посещение данной планеты запрещено.
Сброс неактивных веществ и твёрдых отходов.
Под неактивными веществами подразумеваются химически стабильные вещества в геосфере планеты. Тем не менее, они являются мусором, могут ухудшить качество воздуха или снизить освещённость. Вещества в гидросфере и литосфере могут лежать долго, превращая поверхность в свалку. Основным источником неактивных веществ является груз, а также элементы неисправного судна.
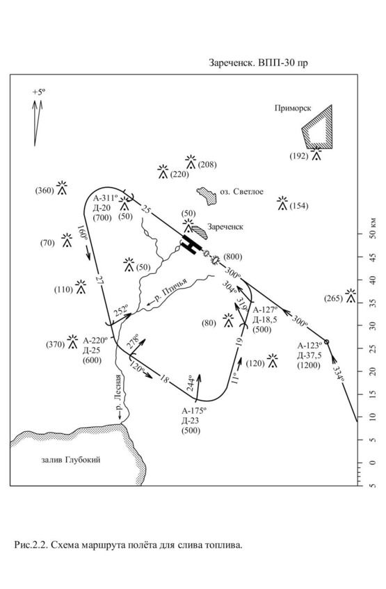
Для минимизации угрозы следует регулярно производить проверки систем, обшивки, корпуса. Проверять надёжность крепления груза и его состав. В аварийной ситуации могут быть предусмотрены маршруты для сброса веществ (рис.2.2).

Сброс твёрдых отходов по сравнению с неактивными веществами юридически классифицируется как намеренное правонарушение с отягощением вины.
Сброс активных и реактивных веществ.
Активные вещества в отличие от неактивных имеют шанс на химическое взаимодействие в среде планеты, могут существенно изменить свойства среды, отравить её, изменить состав атмосферы, гидросферы и почвы, вызвать гибель биосферы. Активные вещества могут быстро осуществлять поражение среды на значительной территории даже в ходе однократного прохода судна. Следует тщательно контролировать возможные источники загрязнений.
Основным источником активных веществ является топливо, а также грузы в жидком и газообразном состоянии. Для минимизации угрозы следует регулярно проверять энергетические установки, топливные системы, системы жизнеобеспечения, кислородные конденсаторы. Особые протоколы на проверку грузов для газовозов и танкеров.
На судне могут содержаться различные вещества особого класса опасности. К ним относятся радиоактивные вещества, антивещество, активное вещество аннигиляторов и так далее. Сброс реактивных веществ будет сопоставим с военной бомбардировкой поверхности планеты с тяжёлым поражением местности и окружающей среды.
Внимание! Если у представителей власти возникнет подозрение на возможность распыления судном в орбиталисе или интернуме реактивных веществ, то они могут уничтожить судно без предупреждения, в т.ч. на дальних подступах к планете.
Обращение с реактивными веществами обеспечивается протоколами безопасности и конвенциями. Малейшие признаки неисправности в работе с данными веществами служат причиной для задержки и отмены рейса и полномасштабных проверок. Необходимо уделять пристальное внимание системам деактивации.
Сброс продуктов жизнедеятельности.
Системы жизнеобеспечения постоянно накапливают и перерабатывают продукты жизнедеятельности экипажа и пассажиров. К ним могут относиться и опасные вещества, особенно если используются неэкологичные очистители и преобразователи. Главная опасность продуктов жизнедеятельности состоит в возможном биологическом заражении, в силу чего сброс продуктов жизнедеятельности может быть приравнен к нарушению санитарного контроля. Подробнее о санитарном контроле в п.2.5.
Звуковое загрязнение.
Прохождение судна в плотной среде атмосферы или гидросферы на высокой скорости порождает акустические волны значительной интенсивности. Чрезмерно сильные волны могут оказаться разрушительными для инфраструктуры, нанести вред любым незакреплённым предметам, вызвать поражения тела или органов чувств местных жителей или фауны. Небольшая интенсивность, приводящая к нарушению покоя, может также служить предметом для судебных разбирательств.
Основным источником звукового загрязнения служит факт прохождения судна сквозь среду. Но также его могут обеспечивать и работающие на судне механизмы, «кипящая» среда в местах выхода реактивных струй. Следует быть внимательным к плотности среды и скорости распространения волн, так как при превышении скорости звука интенсивность загрязнения резко повышается.

Судоводителям рекомендуется отрабатывать плавные посадки в условиях различных сред. Следует знать допустимые нормы шума в зонах полёта (рис.2.3), уровень шума, производимый судном в различных средах на разных скоростях.
Разрушение флоры, уничтожение фауны.
Столкновение судна с другим транспортом или местным жителем относится к чрезвычайным происшествиям и подлежит урегулированию на уровнях портового контроля и следственных проверок от ведомств безопасности. Но при движении в интернуме может произойти столкновение с неразумными формами жизни, которые непредумышленно оказались на пути судна. Флора характеризуется слабоактивными способностями к передвижению и неспособна к уходу с пути судна. Фауну же могут представлять высокомобильные существа. Уничтожение биоформ жизни в любом случае нежелательно. Судоводителям следует избегать возможных столкновений, оставляя в приоритете жизнь и безопасность экипажа, пассажиров, местных жителей, а также целостность судна, груза и местной инфраструктуры.
Контроль за чистотой трасс и выбор путей посадки и взлёта обычно лежит на портовых службах. Однако, снижение и взлёт на низких скоростях способствуют уменьшению вероятности столкновений. Судоводителям необходимо ознакомиться с вероятными угрозами со стороны биосферы посещаемой планеты (рис.2.4).
Электромагнитное загрязнение.
Одно из наименее контролируемых загрязнений. Проход судна, содержащего в себе значительные массы металлов и работающего электронного оборудования, воздействует на окружающий электромагнитный фон аналогично звуковому загрязнению плотной среды. Движущееся судно приведёт к помехам в радиосигналах. В целом данный вопрос решается минимизацией радиоизлучения на проходящем судне, а также строительством космодромов в стороне от жилой застройки или предприятий, требующих в работе спокойного электромагнитного фона. Экипажу следует регулярно проверять состояние электромагнитных систем судна и создаваемый фон во избежание образования «электромагнитных пушек».
Наиболее не очевидным является то, что местные жители, флора и фауна могут оказаться весьма чувствительны к электромагнитным возмущениям. Судоводителям необходимо знать экологический класс планеты перед посещением.
§2.4. Экзоэкология и загрязнение пространства.
Под экзоэкологией в космических перевозках понимается состояние окружающей среды на безвоздушных небесных телах и в космосе, вопросы по охране окружающей среды от загрязнений и разрушений со стороны судна, экипажа и пассажиров.
Не смотря на то, что экология безвоздушных сред налагает особенности на степень влияния загрязнения, следует помнить, что раз источником загрязнения является судно, снаряжение, груз, экипаж и пассажиры, то оно никуда не девается. Перечень видов загрязнений тот же самый, дополненный ещё двумя видами: аэрозольный и метеорный.
Сброс неактивных веществ, твёрдых отходов и биоотходов.
Характер загрязнения остаётся тем же, что и для планеты. Вещества являются мусором, которые могут долго находиться в пространстве или на поверхности. Юридическое разделение аналогичное: сброс твёрдых отходов классифицируется как умышленное загрязнение. Особенностью является то, что сброс газов и жидкостей в вакууме почти всегда приводит к их переходу в твёрдое состояние с соответствующими последствиями. И последствия эти могут быть разрушительными, но об этом ниже.
В пространстве продукты жизнедеятельности приравниваются к твёрдым отходам. Стандартные методы защиты оборудования кораблей и станций служат непреодолимым барьером для проникновения биоугрозы. Атмосфера планет, в плане неконтролируемого входа в неё мусора, также служит отличным фильтром и дезинфектором.
Сброс активных веществ.
Активные вещества в вакууме обычно несут меньший урон, чем в атмосфере или гидросфере. Температуры близкие к абсолютному нулю и отсутствие давления могут привести активное вещество к твёрдому состоянию, в котором оно может потерять свои разрушительные свойства. Поверхности, на которые они падают, имеют высокие степени защиты, либо доведены вакуумом, температурами, излучением, ионными ветрами до слабо реагирующего состояния. Почти все живые существа при нахождении в космосе вынуждены надевать средства защиты – скафандры. А космическая флора и фауна также менее склонна к реакциям, как и порода астероида по сравнению с планетарной почвой. Сбор твёрдого и жидкого вещества в пространстве и на поверхности слабореагирующих пород наносит гораздо меньше вреда, чем в активной среде.
Тем не менее, в случае прорыва защиты урон может оказаться катастрофическим.
Сброс реактивных и радиоактивных веществ.
Характер реактивных веществ таков, что угроза от них не снижается в вакууме. Наоборот, последствия контакта с ними могут привести к прорыву защиты и дальнейшим разрушениям с фатальными последствиями. Потерянное в космосе вещество может стать миной для случайно проходящего судна. Поэтому внимание надзорных органов к обращению подобных веществ не зависит от среды операций.
Звуковое загрязнение, разрушение флоры, уничтожение фауны.
В безвоздушной среде звуковое загрязнение отсутствует, так как нет упругой среды. Судоводителям следует обращать внимание на вибрационные характеристики работающих механизмов судна. Вибрация может передаваться далеко по твёрдым грунтам и инженерным сооружениям. Однако, прежде чем вибрация станет нести дискомфорт персоналу станции или начнёт сказываться на инженерных конструкциях, судно к тому времени уже начнёт саморазрушаться.
В пространстве обитает мало живых существ, и вероятность встречи с ними мала. Посещаемые станции при этом собирают сведения об активности флоры и фауны в районе и публикуют сводки, отражаемые в справочниках и включаемые в экологический класс порта. При формировании маршрутных карт следует проверять их. В справочниках метеорных потоков также приводятся данные о существующих маршрутах миграции или обитания биоформ. Учитывая их весьма разнообразное строение и иногда гигантские размеры, следует всячески избегать контакта с ними для сохранности судна.
Электромагнитное загрязнение.
Характер влияния электромагнитного загрязнения полностью идентичен планетам с упругими средами, борьба с ним аналогична. В экзоэкологии уделяют ему меньше внимания из-за высокого уровня защиты станций и скафандров.
Аэрозольное загрязнение.
Распыление аэрозолей в пространстве может привести к образованию завесы из мелкодисперсного вещества, то есть нарушить оптическую проницаемость среды. Которая, в свою очередь, может активно использоваться в работе станций, баз и прочих объектов. Соответственно, аэрозольное загрязнение может привести к сбою или отказу работы оборудования на станции. Ответственность, меры по предотвращению и устранение соответствуют загрязнению твёрдыми отходами.
Метеорное загрязнение.
Загрязнение на поверхности планеты со значительной силой тяжести приводит к оседанию отходов и веществ на её поверхность. Но в экзоэкологии чаще рассматривается загрязнение метеороидов и станций со слабым полем тяготения. Выброс веществ при слабой гравитации приводит к тому, что поток вещества обретает твёрдую форму, сцепляется в гранулы и путешествует с приобретённой скоростью в направлении выброса. Если скорость достаточно высока, то образуется метеорный поток, который уйдёт в неизвестном направлении и станет миной для встречного судна или станции без метеоритной защиты. При низкой начальной скорости рой частиц станет обращаться вокруг метеороида или станции в поле её тяготения, что с одной стороны сделает его менее опасным, так как подходящие корабли снижают скорость, с другой стороны многократно увеличится вероятность столкновения.
Экипаж обязан уведомлять капитана, а капитан портовые власти при обнаружении незарегистрированного метеорного потока.
Хотя обязательная противометеоритная защита и периодические чистки пространства тральщиками в окрестностях станций и на орбитах планет снижают вероятность встречи с метеорами и возможный урон, тем не менее, мусор остаётся одним из главных факторов износа и случайных повреждений судна при выполнении рейса.
Загрязнение космоса столь же опасно, что и загрязнение планет. Хотя, учитывая высокие степени защиты инженерных сооружений, индивидуальные средства защиты и малую реактивность среды, штрафы в пространстве ниже, а нарушения реже приводят к уголовному преследованию. Экипажу всё же следует всячески снижать вероятность загрязнений, исходящих от судна, груза, пассажиров и экипажа.
Исправное судно вообще не должно производить отходов. Продукты эксплуатации механизмов и жизнедеятельности должны проходить переработку и направляться в новый рабочий цикл, либо накапливаться. Ремонт и обслуживание должны выполняться специалистами. Реактивные вещества и отработка сдаваться портовым службам.
Обслуживание на орбитальных станциях гораздо дешевле планетарных. Им проще хранить и накапливать отходы, а затем утилизировать большими массами, запуская контейнерные поезда в звезду, недра которой способны переварить даже упавшую планету. Судоводителю следует помнить, что стоимость обслуживания в портах всегда на порядок меньше, чем штрафы за загрязнение.
§2.5. Санитарные нормы.
Бесчисленное количество звёзд и планет в Галактике предлагает всевозможные условия окружающей среды, и из них многие несут формы автохтонной (местной) или инвазивной (привнесённой) жизни. В научной публицистике галактику часто сравнивают с гигантской лабораторией с множеством изолированных сосудов, в которых происходит постоянная рекомбинация генов, непрерывная борьба за выживание и генерация новых видов организмов. Невозможно сказать, где может появиться новая агрессивная форма жизни, способная поглотить прочие, нельзя ограничить природу, можно только вовремя распознать и остановить.
Космическое сообщение может способствовать транспортировке разрушения.
Внимание! Биологическое заражение уносит больше жизней, чем войны.
Во все времена не войны служили главным разрушителем цивилизаций, войны являются следствием негативной ситуации в экономике, приводящей к столкновению культур. Эпидемии болезней, мор животных, гибель растений и связанный с этим неурожай, паразитизм инвазивных видов. Биологическое заражение может в корне сменить лицо планетной системы. Опустошить города, лишить планеты растительного покрова, отравить гидросферу.
К вопросам биологической безопасности необходимо подходить с наибольшей серьёзностью. Требования санитарно-эпидемиологического контроля обязательны для исполнения. В рамках Персейской ассамблеи действует единая Медико-санитарная конвенция, обязательная для исполнения всеми зарегистрированными в Ассамблее судами и любыми прочими судами при посещении миров Ассамблеи.
Схема борьбы с эпидемиями.
Опасная форма жизни может возникнуть или находиться в законсервированном виде в любом мире, как обжитом, так и в до селе не посещённом. Первичному заражению может подвергнуться как судно, так и целая планета. К счастью, до сих пор скорость космического транспорта серьёзно уступает скорости средств связи.
Каждое организованное правительство имеет агентство по борьбе с инфекциями и санитарный контроль. Новостные сводки общих циркуляров имеют первичный приоритет касательно вестей о вспышках новых болезней. Санитарные службы ориентированы на ввод изоляции (карантина) немедленно, как поступают сведения о новой неизвестной или известной, но до сих пор опасной болезни.
Главным положительным аспектом при вспышке новой болезни является то, что неразумная форма жизни, а простая новая рекомбинация не может быть сложной, настроена на неудержимый рост. В силу чего признаки заражения выявляются достаточно быстро в период от нескольких часов до нескольких дней. Официальный срок безопасной изоляции с древнейших времён принят в 40 суток. Болезни с большим сроком инкубации имеют пониженный класс опасности, так как появляется время на их изучение и поиск лекарства и методов лечения.
Таким образом, схема борьбы с эпидемией сводится к разрыву цепочки передачи болезни, всестороннему изучению, а затем лечению поражённых областей. После чего межзвёздное сообщество распространяет знания о болезни и технологии производства лекарств или вакцин по всем известным мирам.
Санитарный контроль.
Сведения об эпидемиологической обстановке планетных систем имеют высший приоритет в обмене данными, в силу чего информация достаточно актуальна и при составлении маршрутной карты, и при проверке сведений на подлёте к системе. От судоводителя требуется в обязательном порядке проверять актуальную санитарно-эпидемиологическую сводку перед посещением планеты.
Санитарно-эпидемиологический контроль прибывающего пассажирского судна начинается с радиопереговоров. Диспетчер запрашивает маршрутную карту судна в пределах карантинного периода и санитарную сводку по судну. Затем в зависимости от мощности планетной инфраструктуры диспетчер направит судно в континум на отстой или может разрешить немедленную посадку.
В случае захода судна в континум, санитарные инспекторы могут прибыть на патрульном корабле. Также судну могут разрешить стыковку с орбитальным портом. После контроля на орбите судну могут дать добро на посадку, и даже доступ «открытая земля», то есть более никаких проверок не потребуется, экипажу можно выходить в порт.
В случае немедленной посадки, что обычно имеет место при слабом трафике в системе, судно приземляется, но имеет полный запрет на открытие люков, продолжает поддерживаться герметизация судна. Представитель порта посещает судно для проверки документов и контроля, после чего разрешает доступ или нет.
Санитарно-эпидемиологический контроль грузового судна дополнительно включает проверки груза. В зависимости от типа груза и его размеров могут быть применены разные протоколы. Если грузовая часть судна изолирована от жилой, экипаж может быть проверен в первую очередь, после чего получить доступ в порт, пока груз проверяется и проходит таможню.
Санитарные режимы.
Спокойная эпидемиологическая ситуация в скоплении способствует быстрой диспетчеризации и быстрому проходу инспекций. Контроль проверяет, есть ли проблемы в последних посещённых пунктах в плане биоугрозы, оценивает достаточно ли экипаж и пассажиры пробыли в космосе на самоизоляции, и после дают доступ, либо выписывают судну предписание на карантин в указанное число дней.
Правила работы санитарного контроля:
– распоряжение о карантине обязательно для исполнения;
– карантин запрещает покидать стоянку;
– карантин может быть максимум на 40 дней, либо контроль обязан выдать отказ на посещение планеты;
– санитарный контроль обязан дать обоснованное основание отказа (что не отменяет возможности отказа от таможни без обоснования);
– в случае отказа, коммерческое судно обязано вернуться в пункт отправления, из пункта отправления отослать его не могут;
– в случае отказа порт обязан выдать в сводку циркуляр об инциденте.
Необходимость подчинения санитарному контролю уравновешивается публичностью его работы.
Регулярные пассажирские и грузовые рейсы получают отдельную аккредитацию договора в контроле. После стандартного контроля первых рейсов пункты маршрутной карты осуществляют ускоренную процедуру прохождения санитарного и таможенного контроля. Посадка осуществляется по прибытии, оформление пассажиров на пунктах выхода из терминала, а проверка груза одновременно с приёмкой получателем.
Совсем иной складывается ситуация в случае повышенной эпидемиологической опасности. При выставлении правительством статуса высокой эпидемиологической угрозы санитарный контроль загоняет на карантин любой груз, а пассажиров не выпускает без 40-дневного обозримого контроля. Под обозримым контролем понимается тот же срок за вычетом дней изоляции на судне с момента последней остановки.
Статус высокой эпидугрозы позволяет вводить правительствам дополнительные меры проверки, ограничивать приём кораблей с некоторых направлений и налагать эмбарго на разные типы грузов. Правительство всегда руководствуется простым тезисом: экономические потери при ограничении товарооборота и пассажирского потока существенно ниже, чем потери в случае развития неконтролируемой инфекции в системе.
Карантинный статус.
Наложенный на судно карантин вводит в действие следующие правовые нормы:
– Интернум и орбиталис становятся запретной зоной, а правительство получает право воспрепятствовать попытке входа любыми средствами.
– Правительство имеет право требовать покинуть обитаемую зону, а также на принудительную буксировку вовне или арест задержавшегося судна.
– Интабула остаётся не подконтрольна местному правительству, но оно может наложить любые ограничения на судно при не выполнении его предписаний.
– Правительство имеет право отказать в помощи терпящему бедствие судну, если имеются подозрения на потерю контроля за эпидситуацией.
– Правительство не имеет право подвергнуть высылке или атаке судно, если судно расположилось вне зоны обитания и заявило о бедствии любого характера.
Несоблюдение предписаний санитарного контроля – грубейший проступок, приравниваемый к актам терроризма. У санитарной службы налажен быстрый контакт с патрульной службой, а у тех может иметься предписание на уничтожение любого судна, стремящегося войти в орбитальную зону с запретом от санитарного контроля.