Текст книги "Общая и частная гистология"
Автор книги: Рудольф Самусев
Жанр: Медицина, Наука и Образование
сообщить о неприемлемом содержимом
Текущая страница: 20 (всего у книги 25 страниц)
14.6. Толстая кишка
Толстая кишка (intestinum crassum) состоит из 4 отделов: слепой кишки с червеобразным отростком, ободочной кишки (включает восходящую, поперечную, нисходящую и сигмовидную) и прямой кишки.
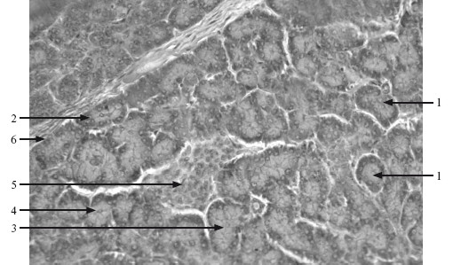
Стенка кишки образована тремя оболочками: слизистой, мышечной и серозной (или адвентициальной) (рис. 14.5).

Рис. 14.5. Толстая кишка. х 140.
1 – слизистая оболочка; 2 – эпителий (каемчатые эпителиоциты и бокаловидные клетки); 3 – собственная пластинка; 4 – крипты; 5 – мышечная пластинка слизистой оболочки; 6 – подслизистая основа; 7 – мышечная оболочка (внутренний циркулярный слой).
Слизистая оболочка включает 4 слоя: эпителий, собственную пластинку и мышечную пластинку слизистой, подслизистую основу. Ворсинки отсутствуют, имеются полулунные складки, кишечные крипты глубже и располагаются чаще.
Эпителий однослойный призматический, состоит из призматических, бокаловидных, малодифференцированных и эндокринных клеток:
Призматические клетки высокие, каемка выражена слабо, вырабатывают и секретируют гликопротеины, обеспечивают процесс всасывания;
Бокаловидные клетки увеличиваются в количестве в дистальном направлении, выделяют слизь;
Малодифференцированные клетки лежат в глубине крипт, являются камбиальными. Обновление эпителия осуществляется в течение 6 сут;
Эндокринные клетки располагаются в дне крипт, встречаются ЕС– и ECL-клетки. В рыхлой волокнистой соединительной ткани собственной пластинки находятся капилляры, нервные волокна, одиночные лимфоидные узелки, которые могут проникать в мышечную пластинку и подслизистую основу.
Мышечная пластинка состоит из 2 слоев гладко-мышечных клеток.
Подслизистая основа содержит большое количество эластичных волокон и жировой ткани, подслизистые нервное, венозное и лимфоидное скопления.
Мышечная оболочка образована 2 слоями гладкой мышечной ткани: внутренним круговым и наружным продольным в виде 3 лент; за счет их меньшей длины образуются мешковилные выпячивания (гаустры). Между слоями в прослойке соединительной ткани расположено межмышечное нервное сплетение.
Серозная оболочка покрывает полностью стенки органа (слепая, ободочная кишки) или замещается частично адвентициальной (восходящая и нисходящая кишки).
Червеобразный отросток – пальцевидный вырост слепой кишки с узким звездчатым или треугольным (у детей) просветом, который содержит клеточный детрит; способен облитерироваться. Стенка толстая из-за наличия в собственной пластинке и подслизистой основе многочисленных лимфоидных фолликулов. Состоит из 3 оболочек, как и стенка толстой кишки.
Червеобразный отросток выполняет защитную функцию, является периферическим органом иммунной системы. Обеспечивает поглощение антигенов из просвета толстой кишки. Содержит эффекторные В– и Т-лимфоциты. Воспаление червеобразного отростка (аппендицит) может вызвать разрушение и разрыв его стенки и воспаление брюшины – перитонит.
Прямая кишка – дистальный участок толстой кишки, завершается заднепроходным (анальным) каналом.
Слизистая оболочка заднепроходного канала образует 5—10 продольных складок – заднепроходных (анальных) складок (морганьевы столбы), соединенные поперечными складками. Между столбами образуются заднепроходные синусы. Крипты в дистальном направлении укорачиваются и исчезают. Эпителий однослойный призматический замещается в заднепроходном канале многослойным плоским неороговевающим, в переходной зоне – многослойным призматическим или кубическим, в области наружного сфинктера заднего прохода сменяется кожным многослойным плоским ороговевающим эпителием, появляются сальные, потовые железы и волосы.
Анальные железы – рудиментарные образования, располагаются в подслизистой основе и открываются в заднепроходные синусы, выстланы призматическим эпителием, вырабатывающим слизь, окружены лимфоидной тканью. В подслизистой основе располагается геморроидальное венозное сплетение, состоящее из 2 отделов: внутреннего (в подслизистой основе заднепроходных столбов) и наружного (в области наружного сфинктера). Варикозное расширение этих вен является заболеванием – геморроем. Внутренний сфинктер заднего прохода представлен циркулярно расположенным слоем гладко-мышечных клеток, наружный образован поперечнополосатой мышечной тканью.
14.7. Железы пищеварительного тракта
К крупным железам относят слюнные железы, поджелудочную железу и печень. Они располагаются за пределами пищеварительной трубки, развиваются из ее стенки в процессе эмбриогенеза.
Железы вырабатывают и выделяют в просвет пищеварительного тракта вещества (ферменты, эмульгаторы, лубриканты), участвующие в пищеварении, ряд веществ (белки крови, гормоны), всасываемые в кровь.
14.7.1. Слюнные железыНаряду со множеством мелких желез в полости рта имеется три пары крупных слюнных желез: околоушные, поднижнечелюстные и подъязычные (см. рис. 3.10).
Эти железы продуцируют слюну, содержащую до 99,5 % воды, органические вещества (протеогликаны, иммуноглобулины, ферменты) и неорганические вещества.
Общие закономерности строения крупных слюнных желез. Строма желез образована соединительной тканью, включает в себя междольковые прослойки и внутридольковую соединительную ткань. Содержит сосуды, нервы, выводные протоки и жировые клетки.
Паренхима образована эпителием. Все железы – сложные разветвленные, состоят из концевых отделов и системы вышодных протоков. Концевые отделы содержат 2 типа клеток – секреторные и миоэпителиальные. По форме концевые отделы бывают трубчатые, альвеолярные и альвеолярно-трубчатые, по характеру вырабатываемого секрета – белковые (серозные), слизистые и смешанные.
Белковые (серозные) концевые отделы содержат белковые клетки (сероциты) пирамидной формы, цитоплазма базофильная, ядро расположено базально; хорошо развит синтетический аппарат, в апикальной части располагаются крупные белковые секреторные гранулы. Вырабатывают жидкую слюну, содержащую амилазу, пероксидазу, гликозаминогликаны и соли, синтезируют гликопротеины, обеспечивают связывание, трансцитоз и выделение в слюну IgA плазматическими клетками.
Слизистые концевые отделы крупнее белковых, состоят из мукоцитов (светлые клетки с базально расположенным темным ядром и органеллами синтеза). Надъядерная часть клеток заполнена слизистыми гранулами. Вырабатывают слизь слюны, содержащую гликопротеины и муцины.
Смешанные концевые отделы содержат сероциты и мукоциты. Сероциты располагаются по периферии в виде полулуний (полулуния Джиануцци). Выводят секрет в межклеточные канальцы.
Миоэпителиальные клетки уплощенные, звездчатые или корзинчатые. Располагаются между базальной мембраной и секреторными клетками. Являются видоизмененными эпителиоцитами, содержащими актиновые миофиламенты. Своими сокращениями способствуют выделению секрета из концевых отделов.
Выводные протоки образуют систему, состоящую из вставочных, исчерченных (слюнные трубки), междольковых и общего выводного протоков:
Вставочные протоки узкие, расположены сразу за концевыми отделами и выстланы низким кубическим или плоским эпителием. Органеллы развиты слабо; гранулы содержат мукоидный секрет. Снаружи имеются миоэпителиальные клетки. Содержат камбиальные элементы;
Исчерченные протоки (слюнные трубки) – широкие трубки, выстланы высокопризматическим эпителием с центрально расположенным ядром. Секреторные гранулы содержат калликреин (фермент, расщепляющий субстрат плазмы крови с образованием кининов, усиливающих кровоток). Базальная часть клеток имеет складчатость, перпендикулярно к базальной мембране располагаются митохондрии, что создает картину «базальной исчерченности». Плазмолемма базальных и латеральных сторон клеток образует интердигитации, участвующие в транспорте воды и реабсорбции №+ из слюны, а в слюну К+, бикарбонатов. Снаружи располагаются миоэпителиальные клетки;
Междольковые протоки образуются в результате слияния исчерченных и располагаются в междольковой соединительной ткани. Мелкие протоки выстланы однорядным эпителием, крупные – многорядным призматическим;
Общий выводной проток выстлан многослойным кубическим или призматическим эпителием, в устьях – многослойным плоским.
Околоушная железа (см. рис. 3.9) – сложная альвеолярная разветвленная белковая железа, содержит белковые концевые отделы, сильно развиты вставочные и исчерченные протоки.
Поднижнечелюстная железа (см. рис. 3.10, А) – сложная, альвеолярно-трубчатая, разветвленная, смешанная железа. Имеет 2 типа концевых отделов – белковые и слизистые. Вставочные протоки короткие, исчерченные – длинные, ветвящиеся.
Подъязычная железа (см. рис. 3.10, Б) – сложная, альвеолярно-трубчатая, разветвленная; секретирует смешанную слюну с преобладанием слизистого компонента. Имеет 3 типа концевых отделов: смешанные, белковые и слизистые. Последние преобладают. Вставочные протоки развиты слабо, исчерченные короткие.
14.7.2. Поджелудочная железаПоджелудочная железа (pancreas) – смешанная железа, состоит из экзокринной и эндокринной частей. Экзокринная часть вырабатывает панкреатический сок (1,2–2,0 л/сут), содержащий пищеварительные ферменты (рН 7,8–8,4), эндокринная – гормоны. Покрыта капсулой, соединительно-тканные перегородки делят паренхиму органа на дольки, в которых располагаются сосуды, нервы, нервные ганглии, выводные протоки. Строма железы ретикулярная (рис. 14.6).

Рис. 14.6. Поджелудочная железа. ×270.
1 – ацинусы; 2 – ацинозные клетки; 3 – апикальный полюс ациноцита (ацидофильный); 4 – центрацинозная клетка; 5 – панкреатический островок; 6 – соединительно-тканная перегородка.
Экзокринная часть составляет 97 % от объема долек железы. Сложная альвеолярно-трубчатая серозная железа. Состоит из концевых отделов (ацинусов) и системы выводных протоков.
Ацинусы округлые или удлиненные, с узким просветом. Содержат клетки 2 типов – ациноциты и центроацинозные клетки.
Ациноциты (панкреатоциты) – крупные клетки пирамидной формы, базальная часть окрашивается базофильно, содержат ядро и аппарат синтеза, в апикальной части – зимогенные гранулы (окрашиваются оксифильно). Содержимое гранул выделяется путем экзоцитоза в межклеточные секреторные канальцы. Секреторные гранулы содержат ферменты (трипсин, хемотрипсин, карбоксипепсидаза, РНКаза, ДНКаза, липаза, фосфорилаза, эластаза, амилаза) в виде проферментов, активизирующиеся в двенадцатиперстной кишке. Клетки секретируют ингибиторы ферментов, защищающие железу от самопереваривания. Секреция стимулируется гормоном холецистокинином-панкреозимином, вырабатываемым I-клетками тонкой кишки.
Центроацинозные клетки мелкие звездчатые. Располагаются в центре ацинуса и у выхода из ацинусов, образуют вставочные протоки.
Система выводных протоков образована вставочными, внутридольковыми, междольковыми и общим протоком.
Вставочные протоки – узкие трубочки, выстланы кубическими клетками, сходны с центроацинозными. Секретируют ионы бикарбонатов, обеспечивающие нейтрализацию желудочного сока в двенадцатиперстной кишке. Стимулируют 5-клетки тонкой кишки. Содержат камбиальные клетки эпителия ацинусов и протоков.
Внутридольковые протоки образованы однослойным кубическим или низким призматическим эпителием, окружены соединительной тканью.
Междольковые протоки образованы однослойным призматическим эпителием, содержат бокаловидные и эндокринные клетки.
Общий проток проходит по всей железе, более крупный в головке, открывается в двенадцатиперстную кишку. Выстлан призматическим эпителием, содержит бокаловидные и эндокринные клетки. В собственной пластинке слизистой оболочки располагаются концевые отделы слизистых желез. В устье протока имеется сфинктер, образованный гладкими мышечными клетками.
Эндокринная часть представлена панкреатическими островками (островки Лангерганса), окруженными ретикулярными волокнами и кровеносными капиллярами фенестрированного типа. Инсулоциты овальные или полигональной формы, в них хорошо развиты органеллы синтеза. Секреторные гранулы окружены двуслойной мембраной и содержат полипептидные гормоны. Выделяют 5 типов клеток:
А-клетки составляют 20–25 % от общего числа клеток, располагаются по периферии, содержат глюкагон (повышает уровень глюкозы в крови);
В-клетки составляют 60–70 % от общего числа клеток, образуют центральную часть островка. В цитоплазме находятся гранулы с плотной центральной частью и светлым ободком (кристаллоиды), образованные комплексом гормона инсулина с цинком. Инсулин стимулирует синтез гликогена и отложение его в тканях, вызывая снижение уровня глюкозы в крови;
D-клетки составляют 5—10 % от общего числа клеток, располагаются по периферии островка. Крупные, умеренно плотные гранулы цитоплазмы содержат гормон соматостатин (угнетает секрецию A– и В-клеток и панкреатоцитов);
D-клетки содержат мелкие гранулы, аккумулирующие вазо-активный интестинальный пептид (ВИП). Вызывает снижение давления, усиливает выделение панкреатического сока;
РР-клетки составляют 2–5 % от общего числа клеток, располагаются по периферии островка. В цитоплазме их находятся мелкие полиморфные гранулы с гомогенным матриксом, содержащим панкреатический полипептид (угнетает активность ациноцитов поджелудочной железы).
Встречаются также клетки, вырабатывающие гастрин, и EC-клетки. Кроме того, вокруг островков обнаруживаются особые ацинозно-инсулярные клетки, природа и функция которых пока не установлены.
14.7.3. ПеченьПечень (hepar) – самая крупная железа организма, выполняющая экзо– и эндокринные функции. Печень покрыта висцеральным листком брюшины и тонкой соединительно-тканной капсулой (капсула Глиссона), отдающей в глубь органа прослойки, разделяющие печень на дольки.
Печеночные дольки – структурно-функциональные единицы печени. Имеют форму шестигранной призмы диаметром 1–2 мм. Состоят из печеночных пластинок (балок), радиально сходящихся к центральной вене, между ними располагаются синусоидные капилляры (рис. 14.7).

Рис. 14.7. Печень человека. х 92.
1 – центральная вена; 2 – печеночные балки; 3 – триада печени; 4 – синусоиды печени; 5 – граница между классическими дольками.
Строма органа представлена ретикулярной соединительной тканью, расположенной между капиллярами и пластинкой. Число долек в печени человека 0,5–1 млн. Дольки ограничены нечетко выраженными прослойками соединительной ткани, в которых располагаются печеночные триады (междольковые артерии, вены и желчные протоки), поддольковые (собирательные) вены, лимфатические сосуды и нервные волокна.
Печеночные пластинки состоят из анастомозирующих друг с другом гепатоцитов. По периферии дольки они ограничиваются пограничной пластинкой, содержащей камбиальные элементы для гепатоцитов и клеток желчных протоков. Продолжительность жизни 200–400 сут.
Гепатоциты составляют 80 % от клеток печени. Они многоугольной формы, имеют одно или два (25 % клеток) ядра. Ядро крупное, сферическое, эухроматичное, содержит 1–2 ядрышка (полшшоидные). Цитоплазма зернистая, воспринимает кислые и основные красители, включает много митохондрий, лизосом, пероксисом, капель жира, частиц гликогена, хорошо развитые гранулярную и агранулярную ЭПС, комплекс Гольджи.
Поверхность гепатоцитов различается структурно-функциональной специализацией, участвующей в образовании плотных межклеточных соединений гепатоцитов (десмосомы, плотные и щелевидные контакты), желчных капилляров путем смыкания прилежащих друг к другу желобков на поверхности соседних гепатоцитов (имеют микроворсинки, обращенные в просвет желчного капилляра, отделены плотными соединениями и опоясывающими десмосомами). Поверхности, обращенные в перисинусоидальное пространство (пространство Диссе), имеют многочисленные микроворсинки, осуществляющие обмен между гепатоцитами и кровью.
Функции клеток проявляются в захвате, синтезе, накоплении и химической переработке углеводов (накопление гликогена и поддержание нормальной концентрации глюкозы в крови), липидов, белков (обеспечивающих свертывание крови), участии в пигментном обмене (билирубина), образовании желчных солей и выделении их в кровь и желчь.
Гепатоциты центральной и периферических зон дольки различаются размером и активностью ферментов, содержанием гликогена и липидов. Гепатоциты периферической зоны участвуют в процессах накопления питательных веществ и детоксикации вредных.
Клетки центральной зоны более активны в экскреции в желчь экзо– и эндогенных соединений, сильнее повреждаются при гепатите, сердечной недостаточности.
Альтернативные представления о структурной организации печени. Кроме «классической» печеночной дольки, разработаны концепции структурно-функциональных единиц печени – портальных печеночных долек и печеночных ацинусов.
Портальные печеночные дольки имеют вид треугольника, углы которого соответствуют центральным венам трех соседних «классических» печеночных долек, а в его центре – триады. Ток крови – от центра к периферии, желчи – от периферии к центру. Подчеркивается эндокринная функция печени.
Печеночные ацинусы [Рапоппорт, 1982] – это ромбовидный или эллипсоидный участок двух смежных «классических» долек между центральными венами. Ток крови – от центра к периферии, желчи – от периферии к центру. В центре – портальный тракт. В ацинусе выделяют 3 зоны: I зона окружает портальный тракт, III зона примыкает к центральным венам, II зона расположена между I и III. Эта концепция подчеркивает зональные различия гепатоцитов, облегчает понимание морфогенеза заболеваний печени.
Кровеносная система печени состоит из 3 частей: системы притока крови к долькам (воротная вена, печеночная артерия, долевые, сегментарные, междольковые вены и артерии; вокругдольковые венулы и артериолы); системы циркуляции (внутридольковые синусоидные капилляры) и системы оттока (центральные вены, поддольковые вены, собирательные вены, впадающие в нижнюю полую вену).
Синусоидные (внутридольковые) капилляры располагаются между печеночными пластинками, несут кровь смешанную, венозно-артериальную от периферии дольки к ее центру. В покое 3/4 синусоидов выключены из кровотока. Клетки стенки синусоидных капилляров:
Эндотелиальные клетки составляют 50 %, выстилают синусоиды, имеют поры (ситовидные пластинки), базальная мембрана отсутствует, между клетками – щели, через которые содержимое сосудов сообщается с пространством Диссе;
Звездчатые макрофаги (клетки Купфера) – это 20–25 % клеток, располагаются в щелях между эндотелиальными клетками или на их поверхности; отростки клеток Купфера проникают в пространство Диссе. Обладают фагоцитарной активностью, мощным лизосомальным аппаратом. Продолжительность жизни около 100 дней. Очищают кровь от частиц, микроорганизмов, антигенов, токсинов;
Перисинусоидальные липоциты (жиронакапливаюшие клетки Ито) составляют 20–25 % от клеток синусоидов. Располагаются в пространстве Диссе. Ядро с конденсированным хроматином, органеллы развиты слабо, в цитоплазме – крупные липидные капли. Функция неясна; предполагают, что они являются покоящимися фибробластами, накапливающими липиды и витамин D; синтезируют ретикулярные волокна и основное вещество. В патологических условиях способны вырабатывать коллаген, приводящий к развитию фиброза печени;
Pit-клетки составляют 5 % от клеток синусоидов, располагаются в пространстве Диссе, прикрепляются к эндотелиоцитам, контактируют с клетками Купфера и гепатоцитами. Ядро темное, гранулы цитоплазмы с плотным центром. По ряду признаков сходны с натуральными киллерами, обладают высокой противоопухолевой активностью.
Желчные пути. Это система каналов, по которым желчь направляется в двенадцатиперстную кишку. Включают внутрипеченочные и внепеченочные пути:
Внутрипеченочные пути – это внутридольковые и междольковые пути;
Внутридольковые пути представлены желчными капиллярами и промежуточными канальцами печени (Геринга). Желчные капилляры располагаются внутри печеночных пластинок между соседними гепатоцитами, составляющими их стенку. В дольке они анастамозируют, образуя трехмерную сеть. Несут желчь к периферии дольки, где изливаются в промежуточные желчные канальцы – узкие трубочки, выстланные плоскими кубическими эпителиальными клетками;
Междольковые желчные пути располагаются в междольковой соединительной ткани, включают холангиолы (желчные канальцы) и междольковые желчные протоки. Входят в состав печеночных триад;
Внепеченочные желчные пути представлены долевыми желчными протоками (левым и правым), общим печеночным протоком, пузырным протоком и общим желчным протоком. Стенка их состоит из трех нечетко разграниченных оболочек:
– слизистой оболочки, покрытой однослойным призматическим эпителием. Собственная пластинка образована рыхлой волокнистой соединительной тканью, в которой располагаются концевые отделы мелких слизистых желез;
– мышечной оболочки, состоящей из косо и циркулярно ориентированных гладко-мышечных клеток;
– адвентициальной оболочки, образованной рыхлой волокнистой соединительной тканью.